为持续优化营商环境,深入落实“放管服”改革举措,市场监管总局决定调整实施强制管理的计量器具目录。现将调整后的《实施强制管理的计量器具目录》(以下简称《目录》)予以公布。
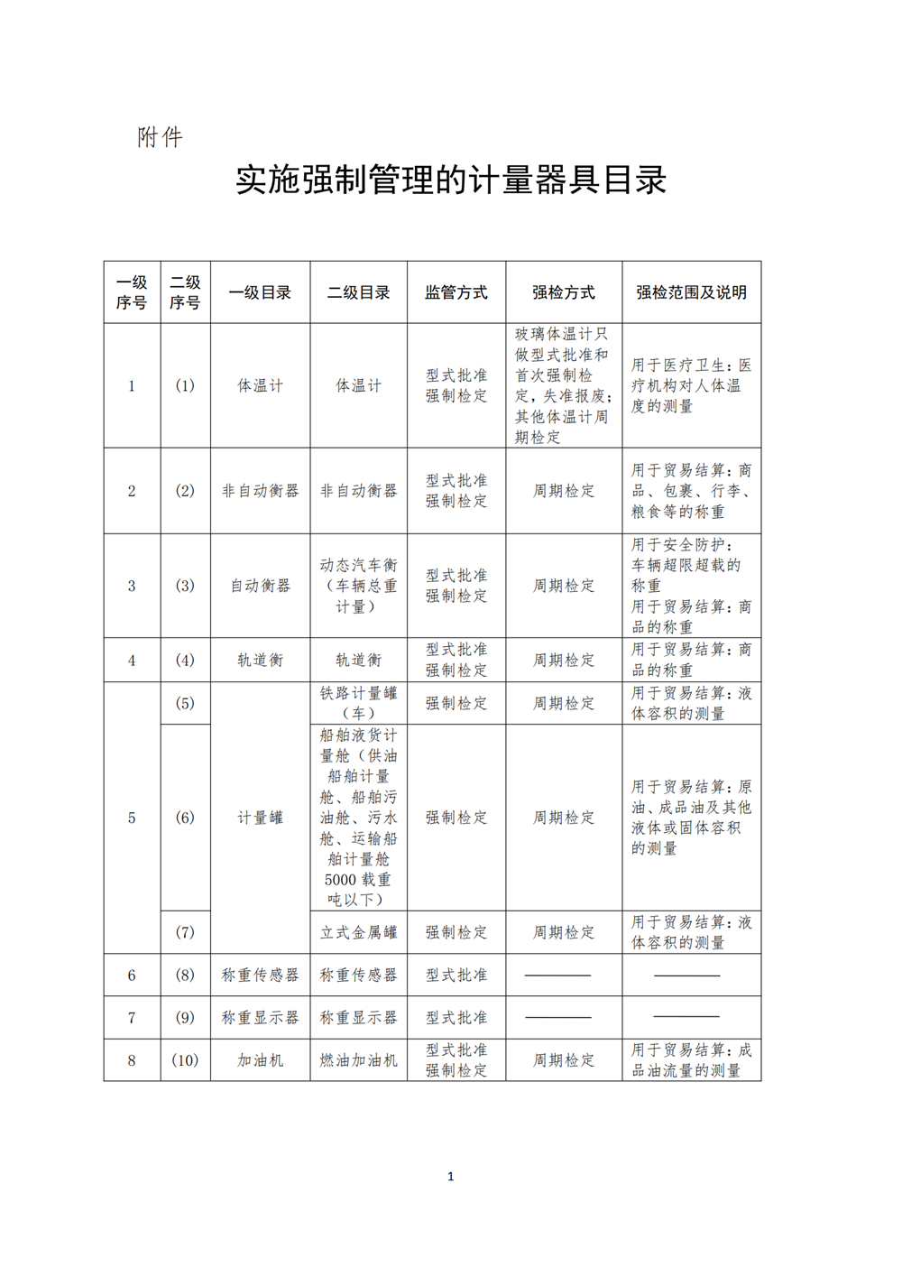
一、自本公告发布之日起,列入《目录》且监管方式为“型式批准”和“型式批准、强制检定”的计量器具应办理型式批准或者进口计量器具型式批准;其他计量器具不再办理型式批准或者进口计量器具型式批准。
二、自本公告发布之日起,列入《目录》且监管方式为“强制检定”和“型式批准、强制检定”的工作计量器具,使用中应接受强制检定,其他工作计量器具不再实行强制检定,使用者可自行选择非强制检定或者校准的方式,保证量值准确。
三、自本公告发布之日起,各级市场监管部门对不在《目录》型式批准范围内的计量器具,已经受理但尚未完成型式批准的,依法终止行政许可程序;各级计量技术机构对不在《目录》强制检定范围内的工作计量器具,已经受理但尚未完成检定的,继续完成检定工作。
四、根据强制检定的工作计量器具的结构特点和使用状况,强制检定采取以下两种方式:
1.只做首次强制检定。按实施方式分为:只做首次强制检定,失准报废;只做首次强制检定,限期使用,到期轮换。
2.进行周期检定。
五、强制检定的工作计量器具的检定周期,由相应的检定规程确定。凡计量检定规程规定的检定周期做了修订的,应以修订后的检定规程为准。
其中,电动汽车充电桩延期至2023年1月1日起实行强制检定。鼓励各地方对其具体强制检定方式予以探索。
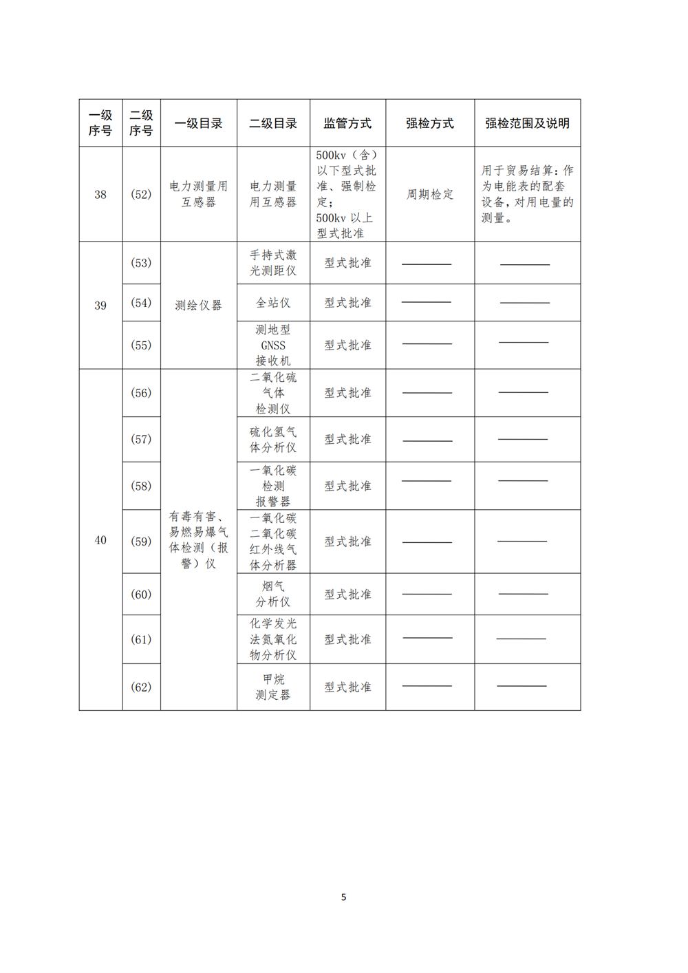
六、强制检定的工作计量器具的强检方式、强检范围及说明见《目录》。
七、自本公告发布之日起,《市场监管总局关于发布实施强制管理的计量器具目录的公告》(2019年第48号)废止,其中第四项废止的相关文件依然废止。
特此公告。





市场监管总局
2020年10月26日
附件: